SCORE CUT PRODUCTS
Dovetail Bars / Sleeves
Dovetail Bars
Precision machined steel bars available in custom lengths for attachment of knife holders and knife banks to slitting machinery.
To Order, provide Burris the:
- Length of the Dovetail bar
- Hole Pattern measurements for bolting to your specific machine
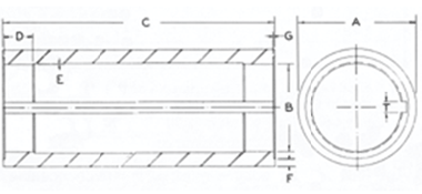
Standard Knife Holder/Dovetail Bar Dimensions
Slitting Roll Sleeves
Our Slitting Roll Sleeves are made from high carbon, chrome alloy steel, which hardens completely through the sections normally required for this service.
63-64 RC hardness is guaranteed. Repeated grinding will not expose soft areas, as is the case on sleeves which have been carburized or case hardened.
The bores and OD's of these sleeves are concentric within .001 total indicator reading.
The ends are ground square with the axis.
TO ORDER:
- Give Burris Part # from table
- OR specify dimensions A, B, C, T
Please contact us for information and costs. Special sizes quoted upon request.
Slitting Roll Sleeves |
||||||
![]() |
||||||
| Burris # | Dusenbery | Diamter A |
Diamter B |
Length C |
Keyway T |
|
| 501 502 503 504 |
272001 272002 272003 272004 |
4.002"/ 4.003" |
3.0020"/ 3.0025" |
08" 09" 10" 11" |
3/8" x 3/16" (w x d) for all sleeves 501-518 |
|
| 505 506 507 508 509 |
12" 13" 14" 15" 16" |
|||||
| 510 511 512 513 |
272005 272006 272007 272009 |
6.252"/ 6.253" |
5.0030"/ 5.0035" |
08" 09" 10" 11" |
||
| 514 515 516 517 518 |
12" 13" 14" 15" 16" |
|||||
| 520 521 522 523 524 525 |
272010 272011 |
9.312"/ 9.313" |
8.2530"/ 8.2535" |
10" 11" 12" 13" 14" 15" |
None | |



